First-Hand:A Description of the Major Systems of the CBS Broadcast Origination Center (BOC)
This is a description of the major systems of the CBS Broadcast Origination Center (BOC). It was in service from July 1991 to December 2012. This is written from my personal experience as I remember over 35 years later. I have tried to write it with the non-broadcast person in mind, but also for experienced broadcast professionals. I had to simplify many parts of the descriptions of systems to not get too deep in the details and to keep this article at a reasonable length. I also must note that some details have been forgotten over the years, so I have some missing information in a few places. Also, I am doing my best to not overstate my contributions or take credit for anything presented as my idea that was from someone else. I apologize to anyone who may have originated the ideas or work or contributed to them.
These were key parts of a major new facility that was my favorite and most rewarding project of my career. It was also my largest and most challenging project. It was certainly a valuable learning experience. A bonus was that it was fun. To prepared this document I went back in history through old documents, photos, and diagrams. I reconnected with some friends who were BOC operators and maintenance techs to ask them some questions. I enjoyed reminiscing. I was able to go through old binders that I kept with BOC information. That included sketches I made in the design phase before drafting made them look good, notes on how some things worked, photos, parts list spreadsheets, and the specification document that was written by the vendor to describe in detail how thousands of parts of BOC hardware and software worked. Many sections were from discussions and documentation we shared with them.
Here is the BOC section of my old CBS Project binders.
In addition to text in this document, I have included diagrams and photos. Some are in the text were appropriate. Some photos of the facility and systems are at the end of the document.
My Background
I retired in December of 2021 after a 56-year broadcast engineering career. I started at a small market radio station when I was twelve years old thanks to some generous mentors who let a kid learn and help. While there I was both an engineer (designing, building, and repairing) and an announcer. I attended Eastern Illinois University and then transferred to the University of Illinois where I graduated with a BS in Electrical Engineering in 1979. While at the U of I, I taught audio production in the College of Communication for three years. I also designed and built two audio studios used by the students enrolled in the class. Following graduation, I worked at CBS Television Engineering in New York City for nearly 20 years. I designed audio and video systems for broadcasting for the CBS Television Network and other CBS facilities around the country. Following CBS, I designed systems for Spacecom Systems and Dish Network Satellite Uplink facilities in the southern suburbs of Chicago. Later, I worked as a consultant for two federal agencies and a major bank and then designed new high-definition systems for a Chicago television station. I finally retired from a large global consulting company where I designed systems for a huge professional grade SDI and IP broadcast facility for company broadcasts.
The CBS Broadcast Origination Center Overview
The CBS Broadcast Origination Center (BOC) was part of the CBS broadcast distribution system. These facilities in New York City provided multiple television programs continuously 24 hours a day, seven-days-a-week. It integrated commercials into live or recorded programs. Programs included those of the CBS Television Network, the CBS Television Pacific Network (PACNET), the CBS-owned station in New York City (WCBS-TV), and several contract syndicators. BOC went online July 22, 1991, at an initial cost of over $25 million. It was replaced in December 2012.
I became involved with BOC in 1987 as an "in-house" broadcast automation consultant to the project while working on other projects. I previously had two smaller broadcast automation projects and the team at that time had some questions. I joined the project full time in 1988. I was one of several engineers on the project. It was a team effort. Three or four of the engineers were recent engineering school recruits. I enjoyed my part in mentoring the start of their careers. I was paying back the people who helped me in my career.
I designed or contributed to the design of the control rooms, switching systems, automation system, commercial playback systems (Sony Library Management Systems or LMS) and support systems. Each of these systems had multiple interfaces with microprocessors and PCs, plus there were gateways to minicomputers that produced the broadcast schedule. They all connected via multiple segments of three Ethernet local area networks.
The system was under control of the BOC automation system. Computer monitors and keyboards, control panels, and audio and video monitors were supplied to watch over the operation and allow for human intervention when it was required.
The automation system software, switcher hardware, control panels, and interface processors were designed and built by Utah Scientific in Salt Lake City, Utah. It was a major undertaking for them. Some parts of the system were based on an existing smaller system that they produced.
The main systems of the BOC were:
- Three control rooms each with four independent output channels
- Automation system and subsystems
- Local Area Network
- Scheduling host minicomputers
- Ten commercial playback machines
- Ten program playback machines
- large support system infrastructure
Control Room Redesign
One of my first assignments for BOC was to completely redesign the Program Contral (PC) Room, including their floor plans, consoles, and equipment rack layouts. At that time, BOC was three large empty rooms. The plan at that time had five small control rooms. New requests from Operations for more program output channels made the five small rooms completely impractical. After I found a way to expand the number of switchers (see below), I needed to increase each control room's floor space by 50%. I therefore redesigned the control rooms to provide additional equipment and operator space. Space was added to the back of each room for special events staffing requirements. For enhanced eye contact and easy access between control rooms, I added sliding glass doors between each of the control rooms and between the control rooms as well as a new hallway behind the back of the rooms. The glass doors in the hallway provided a way to observe the operation without disturbing the personnel. I met several times with the future control room operators and their management to get their input. I made drawings of the floor plan, equipment layout, and line-of-sight for discussion. We developed ergonomic diagrams to show what monitors and controls were in the operator’s normal eye line of sight and line of sight with reasonable head movement plus what controls were within comfortable reach. One final check of the design was a full-sized plywood three-dimension mockup of the consoles, monitor wall, and operator panels. That was very helpful for showing the operators what they would see.
The future BOC Program Control Room space when I started on the project.
Here is the BOC floor plan for reference.
Program Control Rooms
These are photos of one of the finished control rooms and many of the operator panels. I designed the layout of the racks and many of the panels). The personnel operating the PC rooms have a unique title of Associate Director-Technical Supervisor. They belong to the Directors Guild of America (DGA) and the International Brotherhood of Electrical Workers (IBEW). As directors they can direct the activities on the broadcasts. As technicians they can operate the controls. Previous PC rooms had two people; an AD and a technician.
As mentioned before, the original BOC concept provided only five single-output switchers. Operations requested more outputs, but space, costs, and staffing restrictions prohibited the installation of more switchers and control rooms. I came up with the idea of placing two switchers into each control room. I also added a second output channel to each switcher. The second channel was an output bus of the switcher matrix. It had cuts-only transitions, but it was useful as an Aux channel. A sixth switcher was later added. The output channels were designated Program Channel (PC) 01 through 12.
BOC Switcher Systems
This is the time to explain how the Automation Switcher worked. The main output of the switcher was Program 1 (PGM1). There was a Preset output that showed the next source to be put on the air. It was the last chance to confirm that the correct source was ready to be aired next. The Preview output was to allow sources to be viewed any time. The Automation Switcher had ten input sources. There was a stereo audio path for each of the video inputs and outputs. The switcher had a control panel with rows of ten pushbuttons for each of the outputs. There was a pushbutton for each input 01-10. The Program 2 and Preset 2 functioned similarly to Program 1 and Preset 1 but were only used when additional program outputs were needed. This is explained later in this document.
In the manual mode; prior to a source being put on air the operator pushed the button for the next source on the Preset row. He/she would check that it was the correct source, it was ready, and the video quality was right. When it was time for the source to be put on air the operator pushed the Take button. That caused the switcher to switch the source on Preset to the Program output. The Preset/Take process continued like that. At any time, the operator could just select any source on the Program output. That was a “hot take” but Preset/Take was a more orderly procedure to produce a good air product.
If the source on Preset was a video tape machine it must have been started playing seven seconds before the beginning of the video. This allowed the tape to be brought up to the correct speed. The operator pushed the Pre-roll pushbutton seven seconds before the time to take in to air. That started the machine and automatically preformed the Take after seven seconds.
For a facility, the size of BOC, ten inputs on a switcher were insufficient. To provide more inputs, a Preselect Switcher was added upstream of the Automation Switcher. The operator had to select the actual source from the input sources on the Preselect Switcher and place that into one of the ten Automation Switcher’s ten inputs.
The automation performed those functions of the operator using a schedule of events. The operator still needed to be the eyes and ears to confirm that the Preset source was the correct one and that the Program source on the air was correct. The operator would do manual operations for live events when the exact start, stop, or break times were unknown.
Now for the hardware. Each switcher consisted of similar video and audio subsystems. The video system had a 100-input by 10-output Preselect Switcher matrix, a 10-input by 10-output Automation Switcher matrix, and a Mix/Effects frame. The Mix/Effects frame was where transitions from one event and the next were controlled and audio sources can be mixed over other sources. The Preselect inputs were the commercial playback tape machines, program tape playback machines, production control rooms, character generators, still stores, and other sources. Each of the Preselect outputs fed a video amplifier with remotely controlled video and black levels. Each amplifier output fed one of the ten inputs of the Automation Switcher. Each source’s levels needed to be adjusted to be within correct parameters. Four of the Automation Switcher matrix outputs feed inputs of the Mix/Effects frame via frame synchronizers. The frame sync synchronizes the timing of a video source signals to a common reference so that there was glitch-free switching between various sources in the Mix/Effects frame. Other Automation Switcher matrix outputs were for test and backup switchers. Each video amplifier output also fed a video monitor to see the sources ready to be used by the switcher. It was important see the video to confirm it was the correct video source and no obvious problems existed. There was a video monitor on each of the four feeds to the Mix/Effects frame and one on the Mix/Effects frame’s program output. Refer to the accompanying Simplified Video Block Diagram.
The diagram shows a simplified view of the video section of the BOC Automation Switcher system with ten inputs and six outputs. The audio section was similar. Outputs were often called buses. One input at a time was routed to an output bus. At the location where an input line intersects with an output line was a crosspoint switch. The “X” indicates that the switch was closed so that Input 6 was routed to the Preview bus, Input 7 was routed to the Program 1 bus and Input 9 was routed to the Preset bus. Early switchers used relays as crosspoints, then transistors, ICs, and gate arrays. Obviously, each technology led to smaller switchers or more circuits in the same space. On the operator control panel there was a row of pushbuttons from left to right for each bus to control the crosspoints. Pressing one of those pushbuttons selected the video signal to that bus. The panel is shown later in this document.
The Mix/Effects or M/E frame had the circuitry to fade a video source to black or to another input as well as make the transition with a video effect. Automation switchers do not usually use effects transitions. Production switchers use patterns and lines in the effects transitions.
In the diagram below a 100 input by 10 output Preselect Switcher fed the Automation switcher. Typical BOC sources were assigned to the preselect switcher. A video tape machine for playing programs was a VT and a multicassette video tape machine for commercials was an MC.
The audio system was similar to the video system but had stereo audio amplifiers with remotely controlled audio levels. The audio portion of the Mix/Effects Frame also included an eight audio-only input matrix for announcements. Refer to the accompanying Simplified Audio Block Diagram.
Automation Switcher Control Panel
I worked with the automation system vendor to produce a logical and ergonomic control panel for the switchers. The input selection and control configuration consisted of 10 "vertical" columns corresponding to ten audio/video input sources. Refer to the accompanying BOC Switcher Panel Layout diagrams. Viewing from top to bottom, each audio/video input column had:
- Manual machine controls
- Input source designation display
- Program 2 bus pushbutton
- Program 2 Preset bus pushbutton
- Program 1 bus pushbutton
- Program 1 Preset bus pushbutton
- Audio level controls
- Video level controls
- Preview bus pushbutton.
I conceived the idea to have the input level controls use shaft encoders instead of normal control potentiometers (pots) so that if an adjustment was made for a source the level was electronically reset to unity when a new source was assigned to that input. I also conceived the idea of using a bicolor LED with each encoder to visually indicate a unity "detent" position – no level change – (LED off), control turned to increase level (green), and control turned to decrease level (amber). To simplify operation and reduce the number of audio controls, one encoder adjusted both left and right audio levels. I had a balance pushbutton added to disable the left gain control amplifier, so the right audio level was easily adjusted to match to the left level.
A photo of an Automation Switcher Control Panel is shown below. It is followed by a diagram of one of the panels. The diagram shows some details that are not visible in the photo.
These are enlargements of some sections of the panel to better see the details. Some explanation of their function is included.
The Machine Control section provided manual control of source machines assigned to each input. This was used during setup prior to air or when operating manually without automation running the program or commercial tape playback machines.
This enlarged view of a set of controls for one machine shows each switch and pushbutton.
A photo of the Audio Only controls is shown below followed by a drawing of the panel area with more details.
This is the Audio Only Section. The sources here only have audio and were mixed over the main program audio. The automation system would normally do the audio only operation. The operator might adjust the audio levels if needed. In a manual operation the operator would control everything here. The audio of the main program was on the middle row. Usually, the source on the first pushbutton, the audio output of the program row on the switcher was selected, and that pushbutton was lit. Then the audio of a live or prerecorded announcer was mixed over of the main audio. This might be a promotional announcement for the next program while the music and credits at the end of the current program was playing. There was a volume control for the live announcer. The audio of the program could be manually lowered while the announcement ran. At the end of the announcement, the music could then be brought back up. Again, the automation normally did this. The operator could listen to the audio only sources by selecting them on the preview row,
Another section is Manual Intervention. There were times during automation control that the operator would need to intervene completely or partially. This would be when live programs were on the air and exact beginning, ending, or break times were not known. It could have been when there was equipment failure. Program interruptions for news bulletins were another time for manual intervention.
I am not able to remember every function on this panel. Remember, I was part of the design team for this in 1989-1990 and I have not been around it since 1998.
A photo of the Manual Intervention controls is shown below followed by a drawing of the panel area with more details.
The Preselect and Input Source Assignment section provided the means to assign sources to the inputs of the Automation Switcher. A photo of the Preselect Keypad is shown below followed by a drawing of the panel area with more details.
To assign one of the hundred sources to one of the Automation Switcher inputs the operator used the PRESELECT keypad on the switcher panel. The first entry would have been to choose the input type such as program video tape playback machine (VT) or commercial video tape playback machine (MC). The source type then appeared in the PRESELECT display. Next the source two-digit number was entered. The number appeared in the display next to the source type. After confirming that the entry was correct the operator would assign that source to one of the ten automation switcher inputs by pressing the ENTER pushbutton for that input. That is shown here on the left of the PRESELECT section. After ENTER was pushed the source name would appear in the display for the switcher input. The switcher system would then make the audio, video, control, and other switching. There was an indicator light above the ENTER pushbutton on each Automation Switcher input that was lit when the machine operator assigned control to the automation system when the machine was ready.
There were additional switching systems controlled by the automation system.
Return Cue Switcher Matrix
Return Cue provided the individual program and commercial tape playback machine operators with the audio and video from the PC channel to which they were assigned. It provided a confirmation that they were playing back to the correct program channel. They could also monitor the progress of the programming to anticipate when their machine would be going to air. Unassigned machines needed to receive black video and silent audio to not present irrelevant and distracting information to the operators. The initial BOC installation had ten PC channels. To keep the Return Cue system costs down, we installed a 10-input by 30-output switcher frame. With only ten inputs (PC 01 - 10), there was not an input available for black and silence without adding an additional frame. I developed a way to blank the monitors and mute the speakers of unassigned machines without using another input. All crosspoints to unassigned machines were left open so that nothing was sent to the unassigned machines’ monitor. The monitors were not as completely black as they would have been with actual video black, but the screens were dark enough. Another matrix frame was later added when PC 11 and 12 were installed but return cue to unassigned machines was still blanked and muted using my design. Note below the main and backup source crosspoints are both selected.
Intercom System Assignment Matrix
An intercom system provided a means for the BOC control room operators and playback machine operators to quickly communicate with each other. A lever-style switch (key) or pushbutton was pressed to route voice to the speaker at the other end. The system in BOC was complicated by the need to route tape operators with the control room to which they were assigned and vice-versa to prevent speaking to the wrong people and causing confusion.
I was one of the originators of the automation portion of the BOC Intercom System design that consisted of three switcher matrix frames. The frames were designated: tape machine transmit, tape machine receive, and tape machine director cue. Similar paths existed in the switchers to communicate with live production/program studio control rooms in the building.
The automation made the intercom path assignments between machine sources and the BOC control room to which they were assigned. Rather than having a talk key for each separate source (ten commercial machines and twelve program machines in the BOC control rooms and six BOC control rooms at the machines), the BOC control room operator uses automatically assigned generic talk keys. There was a generic key for each type of source such as commercial machines, program machines, and studio control rooms in the BOC control room and a generic control room key at the machine.
The BOC director cue was a full-time feed of the BOC control room director's microphone. It allows the tape operators to hear the control room operator instructions as if they were in the control room to which they were assigned without the control room operator needing to press the intercom key.
The studio control room intercom shared spare lines with the tape switcher frames. They are not shown here. The studio control room director cue allowed the BOC operator to hear the director(s) of the studio(s) currently on his switcher input(s). Assignments were also made by the automation system.
On Air Tally Light System
I designed the BOC On Air Tally Light System. On air tally lights indicated what devices were on the air. CBS typically located on air tally lights at sources like tape machines and character generators and in control rooms above the picture monitors for the switcher inputs. The system was very complex because of the way sources were assigned to the channel switchers. It is very simplified in the diagram. The logic and distribution of signals have been omitted here. There were three types of assignments: BOC pool (equipment shared by all switchers); control room pool (equipment shared by switchers in the same control room); and direct assignment (equipment assigned to only one switcher). When activated, the Emergency Switcher took control of the tally lights at sources and over control room monitors. That added another level of complexity to the system. That is not shown here. The diagram is “simplified,” but even this diagram is complicated.
Automation System
The Automation system consisted of the following major subsystems: • Air Control Host computers (Main and Backup) • BOC Automation Servers (Main and Backup) • Automation Switcher computers • Control Room Operator Schedule computers • Schedule Editing computers • Tape Machine Control Interfaces • Other control computers and interfaces.
I participated in the development of BOC's Automation System concept and some of the details. Over one hundred personal computer- and microprocessor-based devices were on the BOC local area network. There were three main/backup pairs of file servers. More than 44 personal computers ran automation device applications (playlist storage and status interface for computer-based broadcast equipment). Channel switchers, intercom matrixes, videotape and LMS machines, and some forty operator control panels communicated on the LAN via microprocessor-based interfaces. Seven personal computers ran interface applications to Host minicomputers; commercial scheduling mainframes; and file servers for the network tape libraries. There were thirteen supervisory and diagnostic PCs.
Near BOC, in Air Control the network scheduling personnel entered the program and commercial schedules for each day into the Air Control Host computers. Immediately prior to the day of air the Host downloaded air schedules and a facility systems (FAX) assignment table to the BOC switcher systems. Updates were downloaded as needed during the day. The assignment tables included a list of the assignments of each system and subsystem in BOC. The tables may or may not initially have switcher inputs assigned by the Host.
Fax Assignment
Any switcher may have the audio/video (manually assigned or from a schedule), but only the assigned switcher had control, tally, intercom, and return cue monitor control.
The automation system needed to provide an "assign to limbo” function. If all ten inputs to a switcher were in use and another source was assigned, the new source was placed in limbo until an input was free.
The automation system was responsible for logging every event that aired, the on and off times and the duration the events. This was the “as run” log to prove to advertisers and programmers exactly what aired. There was a separate log that recorded the date and time every pushbutton was pushed and every control was adjusted on the switcher control panel. This was very useful when debugging irregularities.
The automation system compiled a list of all commercial tapes required for each day for each machine and downloaded it to the commercial playback machine right before the change from one day to the next. Updates were downloaded as required.
Master/Aux System
Another major part of the multiple switching systems was the Master/Aux channel assignment. CBS regularly divided the country into sections or regions. CBS fed different programs and/or commercials to those audiences. The different programs may have been sports events of regional interest or network programs delayed three hours for the West Coast. An advertiser may want to advertise only in portions of the country or advertise different products in each section of the country. As an example, a tire manufacturer may want to run snow tire commercials in the Northern states and all-weather tire spots in the South. Sometimes advertisers would buy a commercial spot during a national program. They may want to run a special promotion in one area of the country and need a separate commercial to run in other areas. Advertisers that were not national would buy commercial time in the areas of the country only where their product was available. The remainder of the country would see another commercial during that same time period.
To provide for sectional and regional advertising, the automation schedule designated one switching channel as a Master and other switcher outputs as Aux channels. The Aux channel switchers had the output of the Master switcher on air. When the Master channel took its commercial(s), the Aux switcher(s) took their separate commercial(s). The Aux switcher(s) return to the Master after the sectional commercial. The automation system could have more than one set of Master/Aux relationships occurring simultaneously. A Master with Aux channels have been scheduled for the main network and its sectionals at the same time, the Pacific coast (PACNET) Master playing the three-hour delayed network feed may have an Aux channel performing a sectional for a part of the West coast.
In addition to monitoring his/her Master channel, the BOC control room operator had to verify that the associated Aux channels had taken their commercials and returned to the Master. If the operator detected a problem on the Master or Aux channels, he/she verified that the backup source for that channel was available and took it to air. I designed the Aux channel monitoring for the control rooms. There was a pair of video monitors and audio level displays for each channel from the other control rooms located in each BOC control room. One monitor and audio display were for the channel's program output. The other monitor and audio display were for the backup associated with the source on the program output at that time. There was an On Air Tally light above the Main and Aux monitors to indicate which was the on air. The operator monitored the status of the Aux channels in use.
To reduce distractions from all the Aux monitors and displays being on, the video, audio, and On Air Tally lights to them were only turned on when that Aux channel was assigned to the room. For this function, an additional audio/video routing matrix was too expensive and excessive. My system used spare outputs of each of channel switchers to feed each monitor that was enabled in the control rooms.
Take Backup System
One major part of the multiple switching systems was the Take Backup System. Most programs and commercials ran with two (or more) copies, started simultaneously, and synchronized to within one video frame for seamless switching. If the primary source had a problem, the backup source was switched on air. All backup sources were taken manually. In addition, the LMS commercial playback machines had an electronic error detection monitor. It provided a signal to cause the switcher to which the LMS was assigned to automatically take the backup LMS.
The control operator was responsible for the switching to the backup of the four channels in his/her control room and responsible for switching to the backup for any aux channels assigned to that control room. That added to the complexity of the Take Backup System. I designed a system to display and control this to be as simple as possible for the control room operators.
Each control room had a CBS supplied TAKE BACKUP panel with 10 buttons marked PC 01 through PC 10. The buttons were enabled for the switchers in a particular control room as well as for each Aux switcher assigned to the control room. A lamp in the button will indicate when the switch was enabled.
When the TAKE BACKUP button was pressed, the backup source for that event will be taken by the PROGRAM (MAIN) bus and will be displayed on the PROGRAM (MAIN) monitor. The BACKUP monitor will now display the source that was removed from PROGRAM (MAIN). The sources feeding PROGRAM (MAIN) and BACKUP will flip-flop each time the TAKE BACKUP button was pressed. When a backup was taken the tally lamp in the button that was pushed would flash.
If this panel were in CR B and that room had programming on PC 05 that pushbutton would be lit indicating the operator had control of the Take Backup function for PC 05. The grayed-out pushbuttons are not lit. The pushbuttons that are lit are enabled by the automation system. If the pushbutton was pushed to take the backup the PC 05 pushbutton would flash. If that control was also assigned PC 09 as an Aux Channel, then the PC 09 pushbutton would be lit. If the operator took the backup source for PC 09 to air, then the PC 09 pushbutton would flash. Nothing would happen if an operator pushed a Take Backup pushbutton for a channel not assigned to that room. The automation system provided tally closures for each switcher to indicate which PC outputs were assigned as auxes for a control room's two switchers. The automation system used the closures to light tally lamps above the video monitors, switch the monitors’ video input from black to the PROGRAM (MAIN) and BACKUP video, and enable the audio level display. Black on the monitors not assigned to a control room cut down on operator distractions.
The diagram below shows a typical control room Take Backup System in a simplified form.
Emergency Switcher
Major systems such as the Automation Switchers required a backup or emergency facility themselves. The Emergency Switcher was a quick backup source to be used until a failed switcher could be fixed or another switcher could be brought online as a replacement. As described earlier in this document, each switcher consisted of a 100 X 10 Preselect Switcher which fed ten level control amplifiers that then fed a 30 X 10 Automation Switcher. The ten outputs of each Preselect Switcher also fed the inputs of a 20 X 1 Emergency Switcher. The output of the Automation Switcher and the Emergency Switcher fed a 2 X 1 Regular/Emergency (Reg/Emg) Switcher. At the BOC operator control position a single pushbutton substituted the output of the Emergency Switcher for the channel Mix/Effects frame output. Another pushbutton selected the regular source when the emergency was over.
Audio Monitoring Systems
One Program Monitor System and one Test Monitor System had facilities to select stereo, stereo plus mono, mono, left only, right only, and Second Audio Program (SAP) – second language – audio. In the stereo plus mono mode, stereo was heard in the left and right speakers simultaneously with mono in the center speaker. Mono audio abnormalities stood out in sharp contrast to the left and right channel sound. The mono, left only, right only, and Second Audio Program (SAP) functions selected just those modes to isolate those channels individually for closer scrutiny if a problem was suspected.
Audio inputs were selected on the 20 X 1 three-level audio selector. There was one level for each of the Left, Right, and SAP feeds. The left and right audio were summed in a resistive network to form the mono audio. There was a 2 X 1 selector that fed either the SAP or mono audio to the center speaker. Each of the three audio channels could be “dimmed” (audio level reduced) in the next stage. Dim was to lower the audio level to the speakers to speak on the phone or the intercom. There was an audio level control for the audio monitors and a separate control for the SAP channel.
BOC Local Area Network
The BOC had control rooms, switching systems, automation systems, commercial playback systems (Sony Library Management Systems or LMS) and support systems. Each of those systems had multiple interfaces with microprocessors and PCs plus there were gateways to minicomputers that produced the broadcast schedule. They all connected via multiple segments of three Ethernet local area networks. BOC was the first time CBS used a large, shared data network for controlling broadcast equipment. In the past, RS-232, RS-422, and parallel port control lines were used.
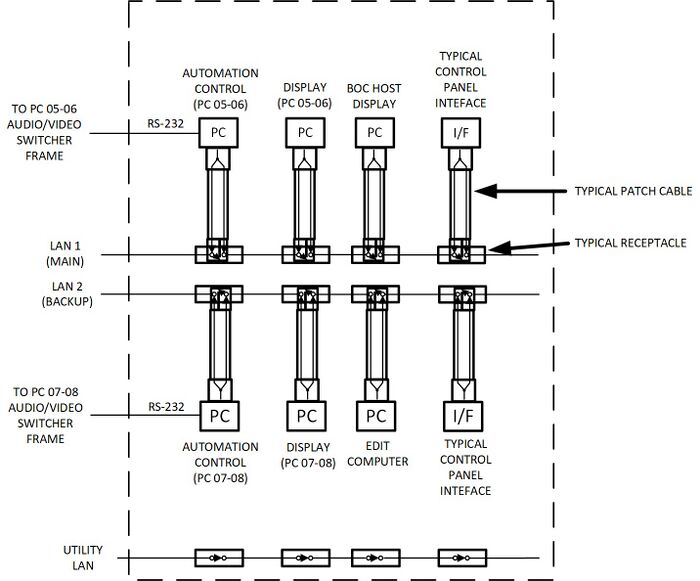
I did the original concept development and design for the BOC local area network (LAN). Prior to this I had only used one small LAN with about six devices. I had a very steep learning curve for the BOC networks. The network was divided into three LANs named LAN 1, LAN 2, and Utility. The main systems were assigned to LAN 1 and the backup systems were assigned to LAN 2. The utility LAN was for testing or to replace a LAN during repairs. New software and hardware were tested and qualified for use by placing a switcher (or switchers), LMS machines, file servers, and other systems on the utility network. A system of centrally located LAN repeaters for LAN 1, LAN 2, and Utility were used to isolate the three LANs into multiple segments of each to avoid having a fault on one LAN disrupt the complete LAN or other LANs.
The diagram below shows a very simplified network layout for BOC. Boxes with main also had a backup that is not shown here. The commercial playback box represents several devices at each of ten machines. The program playback box represents ten machines. The still store and character generator box represents six of each of the devices. The maintenance monitoring box and the support equipment in the equipment rack room box represents several devices. The control interfaces box represents several devices throughout BOC.
When the BOC network design started in 1989, Ethernet local area networks were limited to two options Thin Ethernet and Thick Ethernet. Cat5 and Cat6 networks were a few years in the future and later replaced the networks described here. Thin Ethernet or Thinnet (also called ThinNet) was officially called 10 Base-2. It used an RG 8A/U (0.4-inch diameter) coaxial cable. The cable ends were terminated with BNC connectors. Each device on the network was connected to the network through a BNC "T" and each end of the network had a 50 Ohm terminator attached. Each node on the network had to be a minimum of 0.5 meters (1.5 feet) apart, and the overall length of the network segment had to be less than 185 meters (606 feet). Thinnet was a more flexible (pun intended) and less expensive alternative to Thick Ethernet or Thicknet, officially called 10 Base-5. It used a 0.5-inch diameter cable coaxial cable, but with extra braided shielding. It was very stiff and connecting to it was expensive and time consuming.
The BOC network used Thinnet and used a specialized tap assembly or receptacle and patch cables that I found. Each broadcast device on the BOC LAN as well as the segment repeaters had a patch panel with a patch cable for the device and a receptacle for each of the LANs.
One receptacle for each LAN was mounted on a panel. These panels were place behind every device connected to the network. The panels looked like the one in this diagram.
The diagram below shows BOC CR B’s LAN connections with systems split between LAN 1 and LAN 2. The LAN loops through each device’s patch cable and connector.
The diagram below shows two multicassette commercial playback machines (LMS) in the usual main and backup configuration. The connections were split between LAN 1 and LAN 2. The LAN loops through each device’s patch cable and connector.
The I/F connected to the LAN in the drawing above was an EMC provided by the automation vendor. EMC was the Ethernet Machine Control interface. The EMC communicated with the automation system via the LAN connection. This one had a parallel input and output. Others in the system had RS-232 and RS-422 I/O.
Sony Library Management Systems
The Library Management Systems (LMS) was a very impressive system. I was involved with these machines during the early design, build, and operation of BOC. This is a summary of the LMS system. A detailed explanation is beyond the scope of this document. I have been unable to find any manuals or descriptive documents anywhere.
Ten Sony Library Management Systems (LMS) in BOC were used for commercial and promotional announcement playback. These were fairly new systems to broadcasters and new to CBS. A pair of DVC 1000, one thousand cassette machines, played network commercials, while two DVC 500, five hundred cassette machines, played local WCBS-TV commercials. Six DVC80, eighty cassette machines, were available for network sectional breaks, special off line program/commercial integrations, and closed-circuit feeds. Each machine had four Sony DVR-10, D2 format, digital video cassette tape playback machines. The D-2 had a composite video input and output and recorded uncompressed digital video on a tape cassette. The cassettes were about the same size as a VHS cassette. Each machine had 2-3 microprocessors for control and monitoring of its functions. The LMS had several more microprocessors to control and monitor the machines, move the tapes between the machines and bins, control audio and video switching of the machine outputs to the output of the LMS, monitor for errors, and several more to interface the control functions to the automation system. The LMS had multiple serial connections between subsystems inside it. The SCC, VCC, and CCC were control microprocessors. The major internal control systems and connections are shown in the diagram below.
This is a short description of how the LMS worked. The operator loaded a cassette tape into a port at one end of the machine. The LMS sensed the presence of the tape and signaled the internal elevator to go to the port to receive the tape. The elevator was an X-Y-Z robot. It moved left and right, up and down, and front to back. The elevator traveled on a vertical rails from left to right mounted between rails at the top and bottom of the storage section of the LMS. There was a cassette holder assembly that moved on the vertical and horizontal rails. It had motorized rollers that pulled the cassette into the holder assembly. As the cassette was pulled into the holder a bar code reader read a stick-on label on one side of the cassette. The sticker had a bar coded number for the machine to identify the commercial on the tape. Human readable identification was also on the label. The data from the bar code was sent to the LMS NEWS (Network Engineering Work Station) computer. The computer checked the database of tapes in the machine, looked for an open bin to store the tape and directed the elevator to that location. The tape holder pushed the tape into the bin where it stayed until it was needed.
A schedule of the commercial playback order continuously loaded the four VTRs with tapes as they were needed. When a tape was needed for playback, the NEWS computer found the cassette’s location bin in the database, directed the elevator to the bin, and the cassette was pulled into the holder. The elevator was directed to the next open VTR. There the cassette was pushed into the VTR. The VTR loaded the cassette and threaded the tape. The VTR cued the tape to seven seconds before the beginning of the video (preroll) and stopped.
The LMS loaded all four of the VTRs and waited for a play command from the automation system. At the beginning of the commercial break the automation system sent a play command to play each tape in the order in the schedule. As soon as the next cassette started the elevator was sent to the VTR to retrieve the previous cassette and returned it to the storage bin where it was stored. Then then another scheduled cassette was retrieved. The entire process continued until the commercial break ended and the next four cassettes were loaded for the next break. The procedure was so fast that ten to fifteen second commercials could be played back-to-back.
Periodically the operator used the NEWS computer to compile a list of cassettes no longer needed to be purged. The operator entered the command for the LMS to purge those cassettes. The elevator retrieved the cassettes from each bin and placed them into an output port at the end of the LMS. The operator removed the cassettes and they were returned to the video tape library.
The Photo and diagram that follows show the major components of the LMS machine. The VTRs were mounted in drawers that pulled out toward the front of the LMS for service or replacement. The front of the VTRs with the cassette loading opening faced the elevator and bins. The front and back walls of the storage section were lined with cassette bins. Each bin had a sensor to indicate which bins held a cassette.
Several additional and important systems were in equipment racks adjacent to the LMS machine. The LMS had a computer workstation to accept and maintain the schedule of the commercials for playback and the inventory of commercials needed for each day and which bins they were in stored in. It was the Network Engineering Workstation (NEWS). It received its schedule and commercial inventory from the Host computers via the Ethernet Local Area Network.
A PC monitored the error information from the internal LMS system and playback machines and produced an error alarm and switch closure when an error or failure occurred. The alarm alerted the control room and tape operators of the failures. The switch closure provided an automatic failure signal to the Take Backup System and was used to have the BOC Automation Switcher take the backup commercial machine to air. We worked with Sony to beta test this Error Monitoring System (EMS) for the LMS. The EMS was designed specifically at the request of CBS Engineering. Sony used our feedback to improve the EMS. They later called the EMS a Performance Analysis Monitoring System (PAMS).
Special control interfaces were needed to control audio and video monitor selectors for the operators at the machines. They converted the LMS control protocol into the switching system control protocol and vice versa. Many interfaces were required to connect the LMS to external systems for control and monitoring. Many “universal” control protocols existed at that time. Very few were universally “universal”. They did use the RS-422 and RS-232 physical layer protocols, but that was all. That was necessary to convert control commands from one system to another system. The manual machine interface (I/F) in the diagram below was an EMC. EMC was the Ethernet Machine Control interface. The EMC communicated with the automation system via the LAN connection. This one had parallel input/output.
The major internal and external control systems and connections are shown in the diagram below.
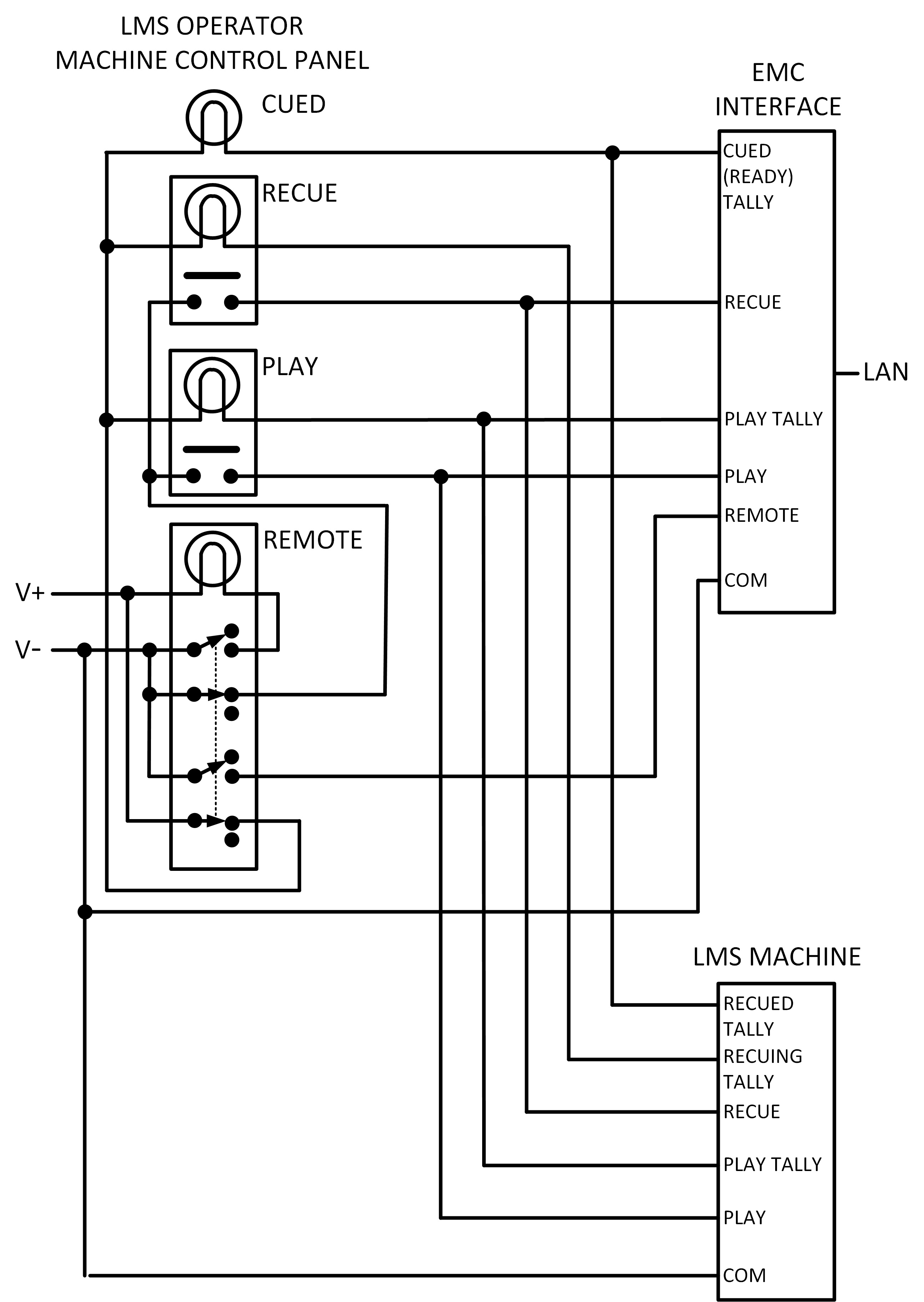
Refer to the diagram below. The LMS operator manual machine control panel had a Cued tally light, momentary pushbuttons with internal tally lights for Recue and Play, and a push on-push off pushbutton with an internal tally light for Remote on/off. Cued tally from the LMS indicated that the current tape was cued to the beginning of the video. Recue told the LMS to recue the tape currently playing. The LMS lit the Recue tally light during recue. Play told the LMS to play the cued video tape. The LMS lit the Play tally light when the tape was playing. The Remote switch in the position shown in the diagram told the EMC and automation that the machine operator had local manual control of the LMS. The Remote switch provided voltage to the Play and Recue pushbuttons for local control of those LMS functions. The Remote switch also provided voltage to the panel’s tally lights to allow them to be lit by the LMS machine. That was an indication to the operator that he/she had local machine control.
When the LMS machine was ready for automation control, the operator pressed the Remote pushbutton. That provided a signal to the EMC that it had control. It also disabled the local Play and Recue pushbuttons so that they could not accidently control the machine at the panel. The pushbuttons’ internal tally light lit up to indicate that the LMS machine was in remote. Finally, the Remote switch removed the voltage to the tally lights in indicate that the panel was not controlling the LMS. The EMC communicated with the automation system via the LAN connection. This one had a parallel input/output.
One part of the Emergency Monitor System was the LMS Local Backup Panel. I designed it to disable the EMS functions. There were circumstances when the LMS operators needed to prevent the EMS PC from triggering an automatic switch to backup. The main one was if the EMS was malfunctioning – particularly if it was sending false signals. That would trigger unnecessary take backup actions and be a big pain. This circuitry was designed and quickly implemented because that was a frequent problem in the early days of EMS use. The joys of being a first customer.
It was a simple design. Refer to the diagram below. I added a small panel with a momentary pushbutton and push on-push off pushbutton between the EMS and the EMC and LMS. The EMS Disable pushbutton opened the Failure and Cancel signal lines when the system was disabled. The Failure line triggered the automation to take the backup LMS. The Cancel caused the LMS to stop the tape playback and halt additional functions of the LMS playback. The pushbutton tally light was lit when the system was disabled to call attention to that abnormal condition. The Backup Taken Tally light was illuminated by the EMC when the automation system indicated that the backup had been taken. The operator then had confirmation that this LMS was no longer the main one. When the LMS fault(s) was/were fixed the operator could push the Backup Taken pushbutton to signal the automation system of the change in status. The LMS could then be used again as the main. One additional condition was required to cause the automatic take backup to occur. The LMS must have been on the air at that time. The on-air status came from the automation system’s air tally system in the equipment rack room.
BOC Photos
The following photos should help the reader to visualize other areas of the BOC facility.
BOC Automation Server Room
Program Video Tape Playback
Equipment Rack Room
One of several long rows of racks (right) and circuit breaker panels in the wall (left). The first two racks on the right include the intercom and director cue frames. The next two racks include LAN patch panels and EMC interfaces. Two more racks have the maintenance test facility. In the far racks were the Electronic Still Store (ESS) systems.
Electronic still store (ESS) systems (closeup)
This row has four PC switcher systems.
The PC 01-02 switcher audio, video, and air tally matrix frames and mix/effects frame.
This new facility was my favorite and the most rewarding project of my career. It was also the largest and most challenging project. It was crazy at times. Not only was it fun —I got paid to have fun. I hope that you find this article interesting and enjoyable to read.
Photos courtesy of Gady Reinhold and my personal collection. Mr. Kaplan’s and Mr. Bradshaw’s images are used with their permission.























































