Pelton Wheel

From ETHW
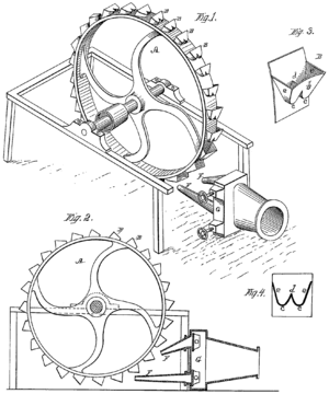
Pelton Wheel patent from 1880

In 1880, Lester Allan Pelton patented the Pelton Wheel, an impulse turbine which draws energy from moving water. Previous impulse turbines were extremely inefficient; the Pelton Wheel is able to extract nearly all of the energy from a moving water stream and is still the preferred turbine for hydroelectric power generation in cases where the water source has a high hydraulic head and low flow.